Тройник Дымок 0.8 мм, 90, d=300 мм
Рассрочка 0-0-4
5 676 ₽/шт
Доставим в течении 10 дней
Достаточно
Нашли дешевле?
Под заказ
Наши менеджеры обязательно свяжутся с вами и уточнят условия
заказа
Купить в 1 клик
В рассрочку 0-0-4 Купить в кредит
Тип товара: Элемент дымохода
Диаметр дымохода (мм): 300
Страна производства: Россия
Вид дымохода: Стальной
Описание
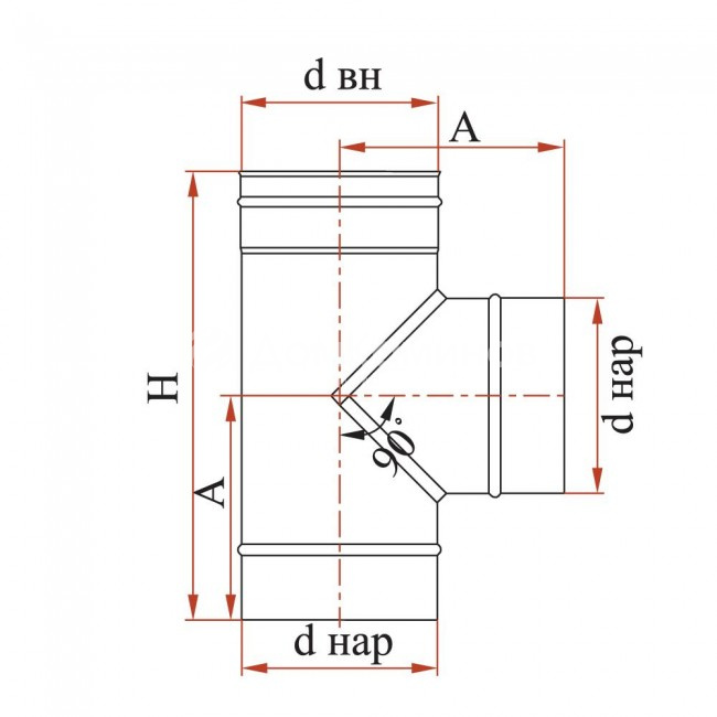
Тройник 90° без изоляции. Изготовлен из нержавеющей стали AISI 439.
| d/D |
100 |
110 |
115 | 120 |
130 |
140 |
150 |
160 |
180 |
200 |
250 |
300 |
| d нар. | - | - | 117,5 | 122,5 | - | - | 152,5 | - | - | 202,5 | - | - |
| d вн. | - | - | 118,5 | 123,5 | - | - | 153,5 | - | - | 203,5 | - | - |
| A | 150 | 155 | 158 | 160 | 165 | 170 | 175 | 180 | 190 | 200 | 225 | 250 |
| H | 300 | 310 | 320 | 320 | 330 | 340 | 350 | 360 | 380 | 400 | 450 | 500 |
Одностенные дымоходы "Дымок" применяются для подключения отопительного оборудования к основному дымоходу, загильзовке кирпичных дымоходов, прокладки дымоходов внутри негорючих шахт.



